一、适用范围
适用于设备地线电气特性测试作业
二、作业前准备
材料:3mm螺母、垫圈、破布或棉丝。
工具:通讯工具、笔、刀片、个人小工具。󠄐󠅅󠄹󠄴󠄪󠄾󠅟󠅤󠄐󠄼󠅟󠅗󠅙󠅞󠄬󠅒󠅢󠄟󠄮󠇘󠆭󠆘󠇙󠆝󠅵󠇗󠆭󠆁󠄐󠇗󠅹󠅸󠇖󠆍󠅳󠇖󠅹󠅰󠇖󠆌󠅹󠄬󠅒󠅢󠄟󠄮
仪表:防雷元件测试仪、接地电阻测试仪。󠄐󠅅󠄹󠄴󠄪󠄾󠅟󠅤󠄐󠄼󠅟󠅗󠅙󠅞󠄬󠅒󠅢󠄟󠄮󠇘󠆭󠆘󠇙󠆝󠅵󠇗󠆭󠆁󠄐󠇗󠅹󠅸󠇖󠆍󠅳󠇖󠅹󠅰󠇖󠆌󠅹󠄬󠅒󠅢󠄟󠄮
三、重点注意事项
1.拆装防雷前要登记联系,动线头或影响设备使用时必须要点进行。
2.现场作业要牢记各项安全事项,执行各项安全规章制度。󠄐󠅅󠄹󠄴󠄪󠄾󠅟󠅤󠄐󠄼󠅟󠅗󠅙󠅞󠄬󠅒󠅢󠄟󠄮󠇘󠆭󠆘󠇙󠆝󠅵󠇗󠆭󠆁󠄐󠇗󠅹󠅸󠇖󠆍󠅳󠇖󠅹󠅰󠇖󠆌󠅹󠄬󠅒󠅢󠄟󠄮
3.测试不合格的防雷元件、地线,应及时更换整治。󠄐󠅅󠄹󠄴󠄪󠄾󠅟󠅤󠄐󠄼󠅟󠅗󠅙󠅞󠄬󠅒󠅢󠄟󠄮󠇘󠆭󠆘󠇙󠆝󠅵󠇗󠆭󠆁󠄐󠇗󠅹󠅸󠇖󠆍󠅳󠇖󠅹󠅰󠇖󠆌󠅹󠄬󠅒󠅢󠄟󠄮
4.测试时将上年度的测试标签清除干净后,贴上本年度测试标签。󠄐󠅅󠄹󠄴󠄪󠄾󠅟󠅤󠄐󠄼󠅟󠅗󠅙󠅞󠄬󠅒󠅢󠄟󠄮󠇘󠆭󠆘󠇙󠆝󠅵󠇗󠆭󠆁󠄐󠇗󠅹󠅸󠇖󠆍󠅳󠇖󠅹󠅰󠇖󠆌󠅹󠄬󠅒󠅢󠄟󠄮
5.信号设备地线必须在设备终端测试。󠄐󠅅󠄹󠄴󠄪󠄾󠅟󠅤󠄐󠄼󠅟󠅗󠅙󠅞󠄬󠅒󠅢󠄟󠄮󠇘󠆭󠆘󠇙󠆝󠅵󠇗󠆭󠆁󠄐󠇗󠅹󠅸󠇖󠆍󠅳󠇖󠅹󠅰󠇖󠆌󠅹󠄬󠅒󠅢󠄟󠄮
6.测试合格的做好记录。
7.作业人员必须持证上岗。
四、作业内容与要求
1.登记联系要点
1.1电务驻站人员在《行车设备检查登记簿》上登记,车站值班员签认。
1.2检修人员到达现场后,先接通试验好电话,并向电务驻站人员讲清作业地点、设备号码、作业内容及影响范围。󠄐󠅅󠄹󠄴󠄪󠄾󠅟󠅤󠄐󠄼󠅟󠅗󠅙󠅞󠄬󠅒󠅢󠄟󠄮󠇘󠆭󠆘󠇙󠆝󠅵󠇗󠆭󠆁󠄐󠇗󠅹󠅸󠇖󠆍󠅳󠇖󠅹󠅰󠇖󠆌󠅹󠄬󠅒󠅢󠄟󠄮
2.防雷元件测试
2.1外观检验(全检)
2.1.1表面:产品及标贴要求正确,清洁干净,不得有污渍;产品表面要求完好无损,不得有变形、划伤和裂纹。󠄐󠅅󠄹󠄴󠄪󠄾󠅟󠅤󠄐󠄼󠅟󠅗󠅙󠅞󠄬󠅒󠅢󠄟󠄮󠇘󠆭󠆘󠇙󠆝󠅵󠇗󠆭󠆁󠄐󠇗󠅹󠅸󠇖󠆍󠅳󠇖󠅹󠅰󠇖󠆌󠅹󠄬󠅒󠅢󠄟󠄮
2.1.2铆接:产品铆接到位,吻合良好,不能有明显的缝隙。󠄐󠅅󠄹󠄴󠄪󠄾󠅟󠅤󠄐󠄼󠅟󠅗󠅙󠅞󠄬󠅒󠅢󠄟󠄮󠇘󠆭󠆘󠇙󠆝󠅵󠇗󠆭󠆁󠄐󠇗󠅹󠅸󠇖󠆍󠅳󠇖󠅹󠅰󠇖󠆌󠅹󠄬󠅒󠅢󠄟󠄮
2.1.3连接:压紧螺丝、定位装置无机械故障,能压紧规定范围内的线,并不得滑丝,金属件无锈蚀。󠄐󠅅󠄹󠄴󠄪󠄾󠅟󠅤󠄐󠄼󠅟󠅗󠅙󠅞󠄬󠅒󠅢󠄟󠄮󠇘󠆭󠆘󠇙󠆝󠅵󠇗󠆭󠆁󠄐󠇗󠅹󠅸󠇖󠆍󠅳󠇖󠅹󠅰󠇖󠆌󠅹󠄬󠅒󠅢󠄟󠄮
2.2性能检验(全检)
2.2.1 BVB型防雷模块
2.2.1.1导通电压测量(UIMA):
检验要求:导通电压值见表一及表二《SLP-VB/VBT防雷模块测试参数表》󠄐󠅅󠄹󠄴󠄪󠄾󠅟󠅤󠄐󠄼󠅟󠅗󠅙󠅞󠄬󠅒󠅢󠄟󠄮󠇘󠆭󠆘󠇙󠆝󠅵󠇗󠆭󠆁󠄐󠇗󠅹󠅸󠇖󠆍󠅳󠇖󠅹󠅰󠇖󠆌󠅹󠄬󠅒󠅢󠄟󠄮
检验方法:①使用FC-2GB型防雷元件测试仪,选择压敏电阻档位,测试针(夹)分别接触模块的测试点和模块的插脚2(见模块测试点示意图),测试模块的压敏电阻导通电压值应符合表一要求。󠄐󠅅󠄹󠄴󠄪󠄾󠅟󠅤󠄐󠄼󠅟󠅗󠅙󠅞󠄬󠅒󠅢󠄟󠄮󠇘󠆭󠆘󠇙󠆝󠅵󠇗󠆭󠆁󠄐󠇗󠅹󠅸󠇖󠆍󠅳󠇖󠅹󠅰󠇖󠆌󠅹󠄬󠅒󠅢󠄟󠄮
②防雷器无测试孔位时,使用FC-2GB型防雷元件测试仪,选择放电管档位,测试针(夹)分别接触模块的插脚1和插脚2(见模块测试点示意图),测试模块的导通电压值应符合表二要求。󠄐󠅅󠄹󠄴󠄪󠄾󠅟󠅤󠄐󠄼󠅟󠅗󠅙󠅞󠄬󠅒󠅢󠄟󠄮󠇘󠆭󠆘󠇙󠆝󠅵󠇗󠆭󠆁󠄐󠇗󠅹󠅸󠇖󠆍󠅳󠇖󠅹󠅰󠇖󠆌󠅹󠄬󠅒󠅢󠄟󠄮
2.2.1.2漏流值测量
检验要求:压敏电阻漏流值见表一《SLP-VB/VBT防雷模块测试参数表》󠄐󠅅󠄹󠄴󠄪󠄾󠅟󠅤󠄐󠄼󠅟󠅗󠅙󠅞󠄬󠅒󠅢󠄟󠄮󠇘󠆭󠆘󠇙󠆝󠅵󠇗󠆭󠆁󠄐󠇗󠅹󠅸󠇖󠆍󠅳󠇖󠅹󠅰󠇖󠆌󠅹󠄬󠅒󠅢󠄟󠄮
检验方法:使用FC-2GB型防雷元件测试仪,选择压敏电阻档位,测试针(夹)分别接触模块的测试点和模块的插脚2(见模块测试点示意图),测试模块的压敏漏流值应符合表一的漏流参数值要求。󠄐󠅅󠄹󠄴󠄪󠄾󠅟󠅤󠄐󠄼󠅟󠅗󠅙󠅞󠄬󠅒󠅢󠄟󠄮󠇘󠆭󠆘󠇙󠆝󠅵󠇗󠆭󠆁󠄐󠇗󠅹󠅸󠇖󠆍󠅳󠇖󠅹󠅰󠇖󠆌󠅹󠄬󠅒󠅢󠄟󠄮

模块测试点示意图
2.2.1.3点火电压测量
检验要求:点火电压值见表一《SLP-VB/VBT防雷模块测试参数表》󠄐󠅅󠄹󠄴󠄪󠄾󠅟󠅤󠄐󠄼󠅟󠅗󠅙󠅞󠄬󠅒󠅢󠄟󠄮󠇘󠆭󠆘󠇙󠆝󠅵󠇗󠆭󠆁󠄐󠇗󠅹󠅸󠇖󠆍󠅳󠇖󠅹󠅰󠇖󠆌󠅹󠄬󠅒󠅢󠄟󠄮
检验方法:使用FC-2GB型防雷元件测试仪,选择放电管档位,测试针(夹)分别接触模块的测试点和模块的插脚1(模块测试点示意图),测量放电管的点火电压值。󠄐󠅅󠄹󠄴󠄪󠄾󠅟󠅤󠄐󠄼󠅟󠅗󠅙󠅞󠄬󠅒󠅢󠄟󠄮󠇘󠆭󠆘󠇙󠆝󠅵󠇗󠆭󠆁󠄐󠇗󠅹󠅸󠇖󠆍󠅳󠇖󠅹󠅰󠇖󠆌󠅹󠄬󠅒󠅢󠄟󠄮
表一 SLP-VB/VBT防雷模块测试参数表
| 产品名称 | 放电管
点火电压(V) |
MOV | 压敏电阻
导通电压(V) |
漏流值
(μA) |
| SLP-075VB | 116~174 | 75 | 108~132 | ≤20 |
| SLP-075VBT | 72~108 | 75 | 108~132 | ≤20 |
| SLP-130VB | 195~265 | 130 | 185~226 | ≤20 |
| SLP-275VB | 400~600 | 275 | 387~473 | ≤20 |
| SLP-275VBT | 297~403 | 275 | 387~473 | ≤20 |
| SLP-385VB | 480~720 | 382 | 558~682 | ≤20 |
表二 SLP-VB/VBT防雷模块测试参数表
| 产品名称 | 导通电压范围(V) | 产品名称 | 导通电压范围(V) |
| SLP-075VB | 140V~200V | SLP-385VB | 620V~880V |
| SLP-130VB | 240V~360V | SLP-075VBT | 135V~205V |
| SLP-275VB | 450V~700V | SLP-275VBT | 440V~684V |
2.2.2 LQ型防雷模块
2.2.2.1检验要求:见下表
| 型号 | 无远程报警端子 | LQ380XH | LQ220XH | LQ110XH | LQ48XH |
| 压敏电阻 | 压敏电阻V1ma | 558~682V | 324~396V | 198~242V | 108~132V |
| 漏电流 | <30uA | <30uA | <30uA | <30uA | |
| 气体放电管 | 直流导通电压 | 480-720V | 376-564V | 184-276V | 120-180V |
2.2.2.2检验方法:同2.2.1.3
2.2.3 ZFTW-系列通道防雷保安器󠄐󠅅󠄹󠄴󠄪󠄾󠅟󠅤󠄐󠄼󠅟󠅗󠅙󠅞󠄬󠅒󠅢󠄟󠄮󠇘󠆭󠆘󠇙󠆝󠅵󠇗󠆭󠆁󠄐󠇗󠅹󠅸󠇖󠆍󠅳󠇖󠅹󠅰󠇖󠆌󠅹󠄬󠅒󠅢󠄟󠄮
2.2.3.1检验方法
将防雷保安器翻转到俯视图,测试插针向上以及鉴别销在上面。组合测试(压敏电阻与气体放电管串联)使用防雷元件测试仪放电管测试档进行测量,方法如下:󠄐󠅅󠄹󠄴󠄪󠄾󠅟󠅤󠄐󠄼󠅟󠅗󠅙󠅞󠄬󠅒󠅢󠄟󠄮󠇘󠆭󠆘󠇙󠆝󠅵󠇗󠆭󠆁󠄐󠇗󠅹󠅸󠇖󠆍󠅳󠇖󠅹󠅰󠇖󠆌󠅹󠄬󠅒󠅢󠄟󠄮
差模防护(纵向防护)模块测量线1—地及线2—地间的放电电压值,标称放电电压应满足Un󠄐󠅅󠄹󠄴󠄪󠄾󠅟󠅤󠄐󠄼󠅟󠅗󠅙󠅞󠄬󠅒󠅢󠄟󠄮󠇘󠆭󠆘󠇙󠆝󠅵󠇗󠆭󠆁󠄐󠇗󠅹󠅸󠇖󠆍󠅳󠇖󠅹󠅰󠇖󠆌󠅹󠄬󠅒󠅢󠄟󠄮
>1.2Uc。
全模防护(纵横向防护)模块测量线1—地、线2—地及线1—线2间的放电电压值,标称放电电压应满足Un>1.2Uc。󠄐󠅅󠄹󠄴󠄪󠄾󠅟󠅤󠄐󠄼󠅟󠅗󠅙󠅞󠄬󠅒󠅢󠄟󠄮󠇘󠆭󠆘󠇙󠆝󠅵󠇗󠆭󠆁󠄐󠇗󠅹󠅸󠇖󠆍󠅳󠇖󠅹󠅰󠇖󠆌󠅹󠄬󠅒󠅢󠄟󠄮
2.2.3.2检验要求:见下表
| 型号 | 放电管(V)±20% | 压敏电阻(V) ±15% |
| ZFTW-V | 230 | 181 |
| ZFTW-VI | 600 | 361 |
| ZFTW-VII | 800 | 561 |
| ZFTW-III | 230 |
2.2.4计轴TMT型防雷模块
2.2.4.1检验要求:见下表
| 型号 | LA TMP20/220 | LA TMT10/110 | |
| 压敏电阻 | 压敏电阻 | 470V±10% | 180V±10% |
| 漏电流 | <20uA | <20uA | |
| 气体放电管 | 直流导通电压 | 600V±20% | 150-220V |
2.2.4.2检验方法:同2.2.1.3
2.2.5 FLM型防雷模块
2.2.5.1检验方法:点火电压检测:使用防雷元件测试仪放电管档,测试六端子防雷模块的点火电压对应测试点,其值与六端子模块测试参数表参数相比较,应符合相应产品参数要求(测试点见表)。 导通电压 Un、漏流Il 检测:使用防雷元件测试仪压敏电阻档,测试六端子防雷模块的导通电压、漏电流对应测试点,其值与六端子模块测试参数表参数相比较,应符合相应产品参数要求。󠄐󠅅󠄹󠄴󠄪󠄾󠅟󠅤󠄐󠄼󠅟󠅗󠅙󠅞󠄬󠅒󠅢󠄟󠄮󠇘󠆭󠆘󠇙󠆝󠅵󠇗󠆭󠆁󠄐󠇗󠅹󠅸󠇖󠆍󠅳󠇖󠅹󠅰󠇖󠆌󠅹󠄬󠅒󠅢󠄟󠄮
2.2.5.2检验要求:见下表
并联型六位端子(L-L/L-PE)型防雷模块性能参数表󠄐󠅅󠄹󠄴󠄪󠄾󠅟󠅤󠄐󠄼󠅟󠅗󠅙󠅞󠄬󠅒󠅢󠄟󠄮󠇘󠆭󠆘󠇙󠆝󠅵󠇗󠆭󠆁󠄐󠇗󠅹󠅸󠇖󠆍󠅳󠇖󠅹󠅰󠇖󠆌󠅹󠄬󠅒󠅢󠄟󠄮
| 型号 | 导通电压(V) | 漏流(uA) | 点火电压(V) | ||
| Inb—S1 | Inb—S1 | S1-INa | S2-地 | S2-地 | |
| OUTb—S2 | OUTb—S2 | ||||
| OUTa—S3 | OUTa—S3 | ||||
| FLM-380 | 558~682 | ≤20 | 480~720 | ||
| FLM-220 | 387~473 | ≤20 | 336~564 | ||
| FLM-120 | 198~242 | ≤20 | 184~276 | ||
| FLM-60 | 108~132 | ≤20 | 120~180 | ||
并联型六位端子(L-PE)型防雷模块性能参数表
| 型号 | 导通电压(V) | 漏流(uA) | 点火电压(V) | |
| Inb—S1 | Inb—S1 | S1-INa | S3-地 | |
| OUTa—S3 | OUTa—S3 | |||
| FLM-380 | 558~682 | ≤20 | 480~720 | |
| FLM-220 | 387~473 | ≤20 | 336~564 | |
| FLM-120 | 198~242 | ≤20 | 184~276 | |
| FLM-60 | 108~132 | ≤20 | 120~180 | |
并联型六位端子(L-L)型防雷模块性能参数表
| 型号 | 导通电压(V) | 漏流(uA) | 点火电压(V) |
| Inb-S1 | Inb-S1 | S1-INa | |
| FLM-380 | 558~682 | ≤20 | 480~720 |
| FLM-220 | 387~473 | ≤20 | 336~564 |
| FLM-120 | 198~242 | ≤20 | 184~276 |
| FLM-60 | 108~132 | ≤20 | 120~180 |
3.地线测试
3.1测试方法:
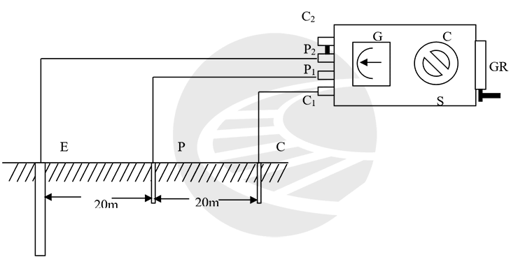
测量接地电阻时,将仪表放在水平位置,将端子E接被测地线,其他两端子接辅助地线钎子引线,如图所示。测试时先将X倍旋钮扳至最大一档,摇测满刻度时应换到另一档进行测试,直至表针处于中心位置,测试完毕,读取接地阻值=(X倍标度盘值)×(测量标度盘值)。󠄐󠅅󠄹󠄴󠄪󠄾󠅟󠅤󠄐󠄼󠅟󠅗󠅙󠅞󠄬󠅒󠅢󠄟󠄮󠇘󠆭󠆘󠇙󠆝󠅵󠇗󠆭󠆁󠄐󠇗󠅹󠅸󠇖󠆍󠅳󠇖󠅹󠅰󠇖󠆌󠅹󠄬󠅒󠅢󠄟󠄮

3.2测试标准:
3.2.1贯通地线接地电阻不大于1Ω。󠄐󠅅󠄹󠄴󠄪󠄾󠅟󠅤󠄐󠄼󠅟󠅗󠅙󠅞󠄬󠅒󠅢󠄟󠄮󠇘󠆭󠆘󠇙󠆝󠅵󠇗󠆭󠆁󠄐󠇗󠅹󠅸󠇖󠆍󠅳󠇖󠅹󠅰󠇖󠆌󠅹󠄬󠅒󠅢󠄟󠄮
3.2.2防雷地线和安全地线接地电阻不大于10Ω、砂石地带不大于20Ω。󠄐󠅅󠄹󠄴󠄪󠄾󠅟󠅤󠄐󠄼󠅟󠅗󠅙󠅞󠄬󠅒󠅢󠄟󠄮󠇘󠆭󠆘󠇙󠆝󠅵󠇗󠆭󠆁󠄐󠇗󠅹󠅸󠇖󠆍󠅳󠇖󠅹󠅰󠇖󠆌󠅹󠄬󠅒󠅢󠄟󠄮
3.2.3微机地线接地电阻不大于4Ω。󠄐󠅅󠄹󠄴󠄪󠄾󠅟󠅤󠄐󠄼󠅟󠅗󠅙󠅞󠄬󠅒󠅢󠄟󠄮󠇘󠆭󠆘󠇙󠆝󠅵󠇗󠆭󠆁󠄐󠇗󠅹󠅸󠇖󠆍󠅳󠇖󠅹󠅰󠇖󠆌󠅹󠄬󠅒󠅢󠄟󠄮
3.2.4集中移频、UM-71、屏蔽地线不大于10Ω。󠄐󠅅󠄹󠄴󠄪󠄾󠅟󠅤󠄐󠄼󠅟󠅗󠅙󠅞󠄬󠅒󠅢󠄟󠄮󠇘󠆭󠆘󠇙󠆝󠅵󠇗󠆭󠆁󠄐󠇗󠅹󠅸󠇖󠆍󠅳󠇖󠅹󠅰󠇖󠆌󠅹󠄬󠅒󠅢󠄟󠄮
4.消点消记
全部检查测试完毕、试验良好后,检修人员将设备锁好,与电务驻站人员联系,电务驻站人员在《行车设备检查登记簿》上登记消点。
五、关键项点互控
1.班组长互控作业人员:
及时、准确填写测试记录。
2.防护员互控作业人员:
按规定距离下道避车。


